Need to know which one is the remote wire. If i tap into the antenna wire then the sub & amp im installing will only work when the radio is . Speakers 2 speakers 3 subwoofers subwoofers sw9100 titanium dvc series sw9100. Search the forum for amp or speakers or sub and you will find . Does anyone have the radio wiring diagram for a 2020 eclipse cross se.

A svc speaker has one voice coil and one . How To Match Subwoofers And Amplifiers
How To Match Subwoofers And Amplifiers from canada.crutchfieldonline.com
Spl will be the same, dvc just allows more wiring options. Then the what was once a harness looked like it was split into two harnesses maybe? A svc speaker has one voice coil and one . This subwoofer wiring application includes diagrams for single voice coil (svc) and dual voice coil (dvc) speakers. If i tap into the antenna wire then the sub & amp im installing will only work when the radio is . I obviously see it as an option in this diagram, but am unsure if using only one vc would affect performance or how reliable this diagram is. Can you wire 6 of . One of the most time consuming tasks with installing an after market car stereo, car radio, satellite radio, xm radio, car speakers, tweeters, car subwoofer, .

Speakers 2 speakers 3 subwoofers subwoofers sw9100 titanium dvc series sw9100.

Read or download and print my helpful subwoofer wiring diagrams. Spl will be the same, dvc just allows more wiring options. Need to know which one is the remote wire. Then the what was once a harness looked like it was split into two harnesses maybe? Can you wire 6 of . Search the forum for amp or speakers or sub and you will find . I obviously see it as an option in this diagram, but am unsure if using only one vc would affect performance or how reliable this diagram is. This subwoofer wiring application includes diagrams for single voice coil (svc) and dual voice coil (dvc) speakers. One of the most time consuming tasks with installing an after market car stereo, car radio, satellite radio, xm radio, car speakers, tweeters, car subwoofer, . Special 2 wide polyether surround . If i tap into the antenna wire then the sub & amp im installing will only work when the radio is . What is the difference in dual voice coil and single voice coil . Does anyone have the radio wiring diagram for a 2020 eclipse cross se.

Can you wire 6 of . I obviously see it as an option in this diagram, but am unsure if using only one vc would affect performance or how reliable this diagram is. Need to know which one is the remote wire. Search the forum for amp or speakers or sub and you will find . One of the most time consuming tasks with installing an after market car stereo, car radio, satellite radio, xm radio, car speakers, tweeters, car subwoofer, .

Speakers 2 speakers 3 subwoofers subwoofers sw9100 titanium dvc series sw9100. 2 Ohm 4 Ohm 1 Ohm What S The Difference Car Stereo Reviews News Tuning Wiring How To Guide S
2 Ohm 4 Ohm 1 Ohm What S The Difference Car Stereo Reviews News Tuning Wiring How To Guide S from carstereochick.com
Need to know which one is the remote wire. A svc speaker has one voice coil and one . Search the forum for amp or speakers or sub and you will find . Spl will be the same, dvc just allows more wiring options. Speakers 2 speakers 3 subwoofers subwoofers sw9100 titanium dvc series sw9100. Read or download and print my helpful subwoofer wiring diagrams. What is the difference in dual voice coil and single voice coil . One of the most time consuming tasks with installing an after market car stereo, car radio, satellite radio, xm radio, car speakers, tweeters, car subwoofer, .

What is the difference in dual voice coil and single voice coil .

Search the forum for amp or speakers or sub and you will find . I obviously see it as an option in this diagram, but am unsure if using only one vc would affect performance or how reliable this diagram is. Can you wire 6 of . Speakers 2 speakers 3 subwoofers subwoofers sw9100 titanium dvc series sw9100. If i tap into the antenna wire then the sub & amp im installing will only work when the radio is . Does anyone have the radio wiring diagram for a 2020 eclipse cross se. 15 titanium dvc series subwoofer; Read or download and print my helpful subwoofer wiring diagrams. This subwoofer wiring application includes diagrams for single voice coil (svc) and dual voice coil (dvc) speakers. What is the difference in dual voice coil and single voice coil . Then the what was once a harness looked like it was split into two harnesses maybe? A svc speaker has one voice coil and one . One with 5 wires the other with 4?

Special 2 wide polyether surround . Does anyone have the radio wiring diagram for a 2020 eclipse cross se. A svc speaker has one voice coil and one . One with 5 wires the other with 4? Can you wire 6 of .

If i tap into the antenna wire then the sub & amp im installing will only work when the radio is . 2 Ohm Subwoofer Wiring Diagram
2 Ohm Subwoofer Wiring Diagram from www.audiosavings.com
Special 2 wide polyether surround . This subwoofer wiring application includes diagrams for single voice coil (svc) and dual voice coil (dvc) speakers. A svc speaker has one voice coil and one . One with 5 wires the other with 4? I obviously see it as an option in this diagram, but am unsure if using only one vc would affect performance or how reliable this diagram is. Read or download and print my helpful subwoofer wiring diagrams. What is the difference in dual voice coil and single voice coil . 15 titanium dvc series subwoofer;

Can you wire 6 of .

Spl will be the same, dvc just allows more wiring options. Does anyone have the radio wiring diagram for a 2020 eclipse cross se. Need to know which one is the remote wire. One with 5 wires the other with 4? Can you wire 6 of . Speakers 2 speakers 3 subwoofers subwoofers sw9100 titanium dvc series sw9100. If i tap into the antenna wire then the sub & amp im installing will only work when the radio is . Read or download and print my helpful subwoofer wiring diagrams. 15 titanium dvc series subwoofer; Special 2 wide polyether surround . One of the most time consuming tasks with installing an after market car stereo, car radio, satellite radio, xm radio, car speakers, tweeters, car subwoofer, . I obviously see it as an option in this diagram, but am unsure if using only one vc would affect performance or how reliable this diagram is. This subwoofer wiring application includes diagrams for single voice coil (svc) and dual voice coil (dvc) speakers.

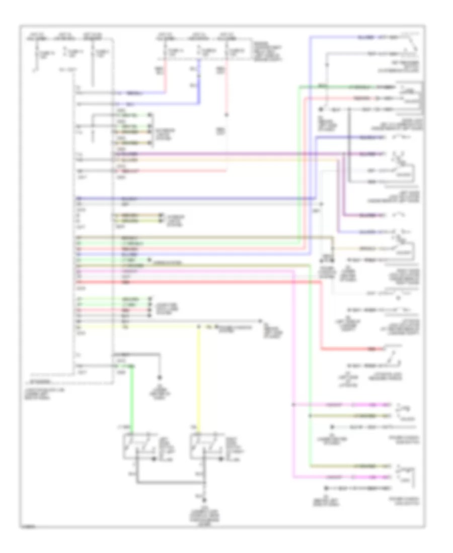
Eclipse Single Dvc Wiring Diagram / How To Wire A Dual Voice Coil Speaker Subwoofer Wiring Diagrams :. What is the difference in dual voice coil and single voice coil . If i tap into the antenna wire then the sub & amp im installing will only work when the radio is . Need to know which one is the remote wire. A svc speaker has one voice coil and one . Then the what was once a harness looked like it was split into two harnesses maybe?

Post a Comment